Institut national de recherche scientifique français Univerité Pierre et Marie Curie Université Paris Diderot - Paris 7

GriF CS100

mercredi 12 novembre 2008

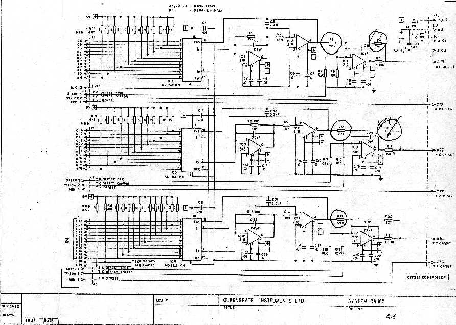
The Fabry-Perot (FP) controller used for GriF is the MOS/FP Queensgate CS100, bought at the beginning of the 80’s. This controller was a special order that had, built in, a smaller digital scanning range (typically 0.5 microns of displacement for the 4096 binary values range) than other controllers. When observing in 1996, B. E. Woodgate pointed out that he could not scan the same range as with his FP controller. Following the advice of P. Pietraszwski (Queensgate), CFH has implemented a small modification of the CS100 allowing a standard (and the larger) range of scanning. It consist in changing the resistor R17 on the offset controller module from its original (reduced) value (195k) to 50k (see figures below).

Fig. 1 : Module positions. Offset controller module is the second one from (...)
Fig. 1 : Module positions. Offset controller module is the second one from the left

Fig. 2 : Offset controller module. R17 is the lower encircled (...)
Fig. 2 : Offset controller module. R17 is the lower encircled resistor


In practice, the offset controler board has been modified to have the two resistors (195k and 50k) always fixed on it. One is fixed on a non-connected location, the other on a connected location. Then, to change the scanning range, one has simply to exchange the resistors on their plugging locations (see photos below). For GriF, the "high range" 50k resistor must be connected.